Some older installations, especially those that are/were earthed via a ground rod, may have a Voltage Operated Earth Leakage Circuit Breaker installed. These fell out of favour a long time ago, so if you still have one, it may be the case that your electrical installation is well due a bit of TLC.


There are a couple of different models around, although this one made by Crabtree is the most common from my experience. This particular example is in pretty good condition and was installed in or around 1980 according to the certification dates on the accompanying equipment, so let’s today look at what this thing is and why it got booted out of the party not long after this one was installed, probably when the 15th Edition wiring regulations appeared in 1981.

IMG 20180617 1425330


It looks like a Residual Current Device (RCD) with its yellow TEST button, but unlike an RCD which disconnects the power if there’s a current leak, this device operates on a rogue voltage appearing on the earthing.


The one I have here was sourced from a decommissioned TT installation which has now been converted to PME, and with the covers removed you can see the top terminals where the incoming line and neutral tails were connected along with the bottom terminals for the outgoing tails.

IMG 20180617 1426192

IMG 20180617 1426338


There are two other terminals on the bottom labelled E and F for Earthing and Frame. Earthing would have connected to the earth rod, while the Frame connection would have gone to the main earthing terminal in the fuse box. There is a coil across the E and F terminals with about 173 Ohms across it according to my Ohmmeter. When switched into the OFF position, that coil is shorted out.

Here is how the device was designed to be installed...

normal

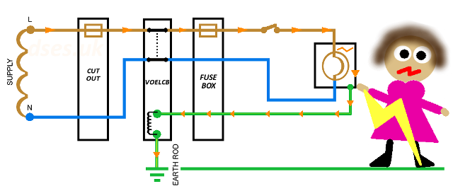
We have our supply from the local transformer which passes through the cut-out fuse at your home, then through the double-pole switch of our voltage operated earth leakage circuit breaker. From there it passes through the local fuse box and out to the load. In this case, the load is a lamp with a light switch in circuit on the line (brown) conductor. The lamp in this example is a Class 1 device with an earthed metal casing. You can see in the diagram above that the earth passes back through the fuse box where the main earthing terminal would be located, and to the coil of the VOELCB via the Frame terminal we saw earlier. On the other side of the coil is the Earth terminal which connects physically to earth via the rod.

Let’s now introduce a fault onto our circuit, in this case a short between line and the earthed metal casing of our lamp...

Fault

Shown above, we now have an earth fault loop path across line, our metallic casing and down the circuit protective conductor back to the coil of the voltage operated earth leakage circuit breaker. This puts a potential difference across our coil as the voltage is rising at its top with respect to the reference earth from the rod connected to the bottom. As the coil becomes energised it creates a magnetic field which pulls open the spring-loaded double-pole contacts through which line and neutral are passing. This of course removes the source of supply to the faulty circuit and, rather cleverly, as it flicks into the OFF position it also shorts out its own coil leaving us now with a direct path to the earth rod.

Active2

This shorting-out of the coil is rather neat because it means we still have a low impedance earth path active on the installation.


zen
Zen-XXI


This all looks and sounds rather spiffing, so what’s the problem and why did 15th Edition do away with the humble VOELCB? Well, let’s assume our Class 1 light is on the exterior wall of the building and the point at which it goes faulty is when Doris here is in direct contact with it as she fiddles about changing the bulb...

Fault2

Now we have a problem because Doris, like the rod, is in direct contact with earth, and Doris is not an insulator. Although her body has some resistance, there is now a potential difference across her from the point where she is touching the live metalwork to the point where she is earthed. Doris may even be a better conductive path than the combined impedance of the coil and rod in which case the majority of the fault current may pass through her instead of through the coil, and of course it takes very little current passing through you to stop your heart.


In this scenario, we can’t rely on the voltage operated earth leakage circuit breaker to actuate in a timely enough fashion, if indeed at all. The fault current may be enough to blow the fuse, but that’s there to protect the wiring, not poor Doris who’s now got a potential difference across her tits. For a safety device that is there to protect you from shock, it’s just not doing its job.


If you were an installer of these devices back in the day, then as part of the installation procedure you would want to ensure there were no parallel paths to earth within the dwelling. The incoming water and gas services may also have been in metallic pipes that physically entered the earth and were connected to your electrical installation earthing through appliances such as the hot water tank and central heating, so steps would presumably have to be taken to isolate this pipework from earth. I say presumably as I was about seven when the industry pulled the plug on these things, so I was never involved in their installation nor was I trained in the requirements of the wiring regulations from that time. What I do know is that the installation I removed this device from had a bonded metallic gas pipe which again means that in the event of a fault, the fault current may have been through the gas pipework and not through the rod, leaving this device rather impotent.


And that’s the problem, even if these things are installed as designed and the installation has no parallel paths, over the years things get changed. New extensions, refurbishments, alterations to incoming services, electrical services being installed outside such as lighting or power to an outbuilding; these could all make a safe-as-designed installation become unsafe, often without those making such modifications even being aware of the danger they were introducing.


Now consider this scenario. Doris is still outside and mowing the lawn with her Class 2 non-earthed double-insulated electric lawnmower, but the silly sausage has only gone and wazzed it over the feed cable! The line conductors didn’t short when the cable was cut, so the fuse didn’t blow and the cut cable remains live. Doris picks it up and comes into contact with live copper on the severed line conductor. Once again, Doris is part of the earth fault loop path for this circuit, so what’s our voltage operated earth leakage circuit breaker going to do about it?

Fault3

Well... bugger all. It's not part of the fault circuit, so not a single microamp of the fault current is passing through its coil. Poor Doris is toast, and her smoking corpse will come to rest on her half-mowed lawn.


And this is why the Residual Current Device (RCD) a.k.a. Ground Fault Interruptor is a better option in modern installations:

RCD2

Unlike the voltage operated earth leakage circuit breaker which requires both a connection to earth and for a fault current to pass through it in order to operate, an RCD has no connection to earth at all. An RCD effectively monitors the current going out against the current coming back and will trip off if there is an imbalance between the two. It isn’t concerned about where that current is leaking to, it could be to the rod, the suppliers earth, down a copper water pipe or through Doris as she stands on her lawn holding her severed cable. It doesn't matter as any imbalance between the feed and return current will cause it to trip, and in the case of an RCD installed for additional protection to BS61008, that trip will be within 300 milliseconds which should be enough to save Doris’ life.... although she will still have to get her lawnmower repaired.


Now, my picture above is a little simplistic when it comes to RCD’s and earth rods as you’d normally have a time delayed RCD for fault protection on a rod along with a 30mA RCD for additional protection on the final circuits, but the picture illustrates the general point.

insituAn example out in the wild located alongside an old BS3036 rewirable fuse box and redundant Economy7 switch


If you recognise such a device in your own home, then it’s probably a safe bet that you haven’t had your electrical installation inspected and tested any time recently. The wiring regulations recommend you do so at least every ten years in dwellings. In the event of an electrical fire, you may find your insurance isn’t valid if you cannot demonstrate you kept the installation maintained. Besides that, it should be in your general interest to know that your electrical installation is safe, or to find out if there is anything that requires attention.


More information on the testing and inspection process can be found here.


This article can also be found as a video on my YouTube channel which saves you having to read through all the above..... if it's not too late...


az
AFF2